首页
关于我们
企业概况
企业荣誉
企业文化
企业设备
厂房厂貌
产品中心
空心杯电机
电动夹爪
气动夹爪
快换系统
气缸
执行元件
气源处理元件
方向控制元件
技术支持
下载中心
应用案例
新闻资讯
公司新闻
行业新闻
常见问题
联系我们
联系方式
招聘信息
131-0025-3109
湖南伊米森科技有限公司
首页
关于我们
企业概况
企业荣誉
企业文化
企业设备
厂房厂貌
产品中心
空心杯电机
电动夹爪
气动夹爪
快换系统
气缸
执行元件
气源处理元件
方向控制元件
技术支持
下载中心
应用案例
新闻资讯
公司新闻
行业新闻
常见问题
联系我们
联系方式
招聘信息
首页
>
产品中心
>
执行元件
>
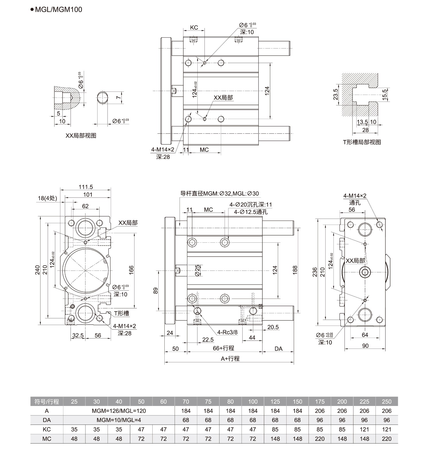
三轴气缸 MGM/MGL 系列
三轴气缸 MGM/MGL 系列
型号: MGM/MGL 系列
免费咨询
产品参数
3D模型
产品手册
适配模块
备件
三轴气缸 MGM/MGL 系列模块
三轴气缸 MGM/MGL 系列备件
免费咨询
称呼:
手机:
地域:
公司:
需求详情:
立即提交
131-0025-3109
imison@imison.com